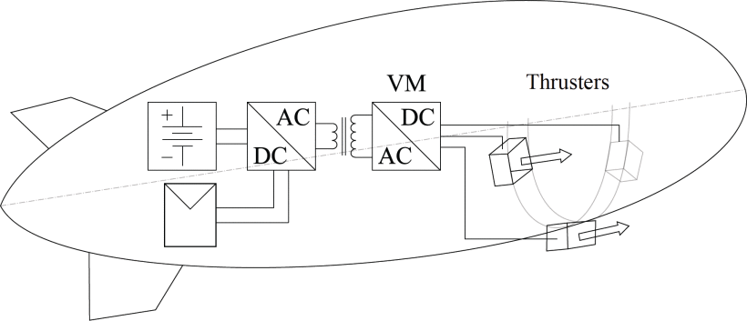
How it started:background of the project Electrodes geometries for atmospheric electrohydrodynamic propulsion Effects of the emitters density on the performance of an atmospheric ionic thruster Scaling relations for the geometry of wire-to-airfoil atmospheric ionic thrusters Multi-inception patterns of emitter array/collector systems in DC corona discharge Multi-scale two domain numerical modeling of stationary positive DC corona discharge/drift-region coupling Electrohydrodynamic ionic wind, force field, and ionic mobility in a positive DC wire-to-cylinders corona discharge in air Research Activities Quasi-2D Finite Volume Modeling of Corona Discharges for Ionic Propulsion: Comparison of Reduced Reaction Schemes Wind Tunnel Testing and Performance Modeling of an Atmospheric Ion Thruster Preliminary Sizing of High-Altitude Airships Featuring Atmospheric Ionic Thrusters: An Initial Feasibility Assessment Preliminary sizing of low-altitude airship including ion-plasma thrusters Performance Enhancement of EAD Thrusters With Nonuniform Emitters Array Symmetrical Cockcroft-Walton Voltage Multipliers with Multiple Intermediate Loads for Ionic Propulsion in Atmosphere Square-Wave-Fed Cockcroft-Walton Voltage Multipliers for Ionic Propulsion in AtmospherePreliminary sizing of low-altitude airship including ion-plasma thrusters Particle Image Velocimetry for Ion Wind Thruster Measurement in Low Density Atmosphere Two-way perturbative coupling of plasma–fluid interactions Atmospheric electroaerodynamic thrusters with grid collectors Atmospheric EAD grid thruster performance: a theoretical–experimental approach on geometry and pressure effects